Di Posting Oleh : Minuta Serija
Kategori : Kelistrikan
Sistem pengisian merupakan bab dari sistem kelistrikan yang terdapat pada kendaraan baik kendaraan beroda empat ataupun sepeda motor, dimana sistem pengisian ini mensuply kebutuhan listrik pada kendaraan. Seperti di ketahui bahwa pada sebuah kendaraan terdapat sebuah komponen yang berfungsi menyimpan arus listrik yaitu battery. tapi apa balasannya apabila battery tu kehabisan listrik alasannya yakni terpakai untuk kepeluan kendaraan, apakah kita harus mengganti batere setiap battery kehabisan listrik? tentu tidak oleh alasannya yakni itu di perlukan sebuah sistem untuk mengisi kembali battery di ketika battery telah lemah atau kosong. Dan sistem ini di sebut sistem pengisian (Charging Syste).
Sistem pengisian berfungsi untuk :
1. Mengisi arus listrik ke battery
2. Mensuplai arus listrik ke seluruh sistem kelistrikan setelah mesin hidup
Ada dua type sistem pengisian :
1. Generator yang berfungsi untuk menghasilkan arus searah (Direct Current) digunakan awal tahun 60-an.
2. Alternator yang berfungsi untuk menghasilkan arus bolak-balik (Alternating Current).
Alasan penggunaan alternator :
1. Konstruksi lebih kecil dan tahan lama.
2. Mampu menghasilkan arus output ketika kecepatan idle.
Bagian-bagian :
1. Ignition switch (kunci kontak)
2. Battery
3. Alternator
4. Voltage regulator
PRINSIP DASAR
HUKUM FARADAY
Hukum Faraday berbunyi :
Bila sebuah konduktor digerakkan di dalam medan magnet, maka akan tim-bul arus induksi pada konduktor terse-but.
HUKUM TANGAN KANAN FLEMING
Apabila sebuah penghantar bergerak keluar memotong garis gaya magnet, maka gaya gerak listrik akan mengalir dari kanan ke kiri.
Arah gaya gerak listrik dapat diketahui dengan menggunakan hukum asisten fleming dimana, jari telunjuk menawarkan arah fluksi magnet, ibu jari menawarkan arah gerakan konduktor, dan jari tengah menawarkan arah arus induksi.
BESARNYA GAYA GERAK LISTRIK
Bila perubahan medan magnet berlangsung dengan cepat maka gaya gerak listrik yang dibangkitkan pada kumparan akan semakin besar
Hubungan ini dapat dinyatakan dengan rumus :
E = N x dÂ
dt
dt
E = Gaya gerak listrik yang dibangkitkan
N = Jumlah gulung
d = Perubahan flux magnet
dt = Waktu
PRINSIP GENERATOR
Generator membangkitkan arus listrik dengan cara memutarkan kumparan di dalam medan mag-net.
PRINSIP ALTERNATOR
Magnet Berputar Dalam Kumparan
Alternator membangkitkan arus listrik dengan cara memutarkan magnet listrik (rotor coil) didalam kumparan (stator coil).
Pembangkitan Arus Bolak-balik (Alternating Current)
Saat magnet berputar di dalam kum-paran maka akan timbul arus bolak-balik pada kumparan.
Hubungan antara arus yang dibangkit-kan dengan posisi magnet yakni :
- Pada 0° dan 180° arus yang di-bangkitkan yakni nol
- Pada 90° arus yang dibangkitkan yakni maksimum positif
- Pada 270° arus yang dibangkitkan yakni maksimum negatif
Arus Bolak-balik 3 Phase
Pada alternator terdapat 3 kumparan yang berjarak masing-masing 120°
Pada ketika alternator berputar pada masing-masing kumparan akan timbul arus bolak-balik Ini berarti alternator membangkitkan arus bolak-balik 3 phase.
Cara penyambungan 3 phase
1. Hubungan “Y” (Star/Bintang)
Ujung dari tiap-tiap kumparan dihu-bungkan menjadi satu, dimana sam-bungan / titik tengah kumparan itu di-sebut titik netral (netral point)
2. Hubungan Delta
Ujung dari tiap-tiap kumparan dihu-bungkan ke awal dari kumparan lain. Ini berarti ketiga kumparan dihubung-kan secara seri
Karakteristik dari kedua relasi tersebut yakni :
Hubungan | Tegangan | Arus |
“Y” (Star) | Eí3 | I |
Delta | E | Ií3 |
Saat ini alternator menggunakan relasi “Y” dengan alasan :
· Penghubungan kumparan sederhana
· Tegangan output lebih besar
· Mempunyai titik netral yang dapat digunakan
· Meskipun kurang baik ketika arus output maksimum, tetapi pada putaran rendah lebih baik
Penyearahan
Kelistrikan kendaraan beroda empat membutuhkan arus searah, oleh alasannya yakni itu arus yang di-hasilkan oleh alternator tidak dapat eksklusif digunakan. Untuk itu diperlu-kan proses penyearahan yang berfungsi untuk merubah arus bolak-balik (AC) menjadi arus searah (DC), dimana proses penyearahan ini menggu-nakan dioda Pada alternator menggunakan dioda sebanyak 6,8,9,11.
Pada diagram (a) tegangan di-bangkitkan diantara phase 1 & 2. Arus mengalir melalui dioda 1 la-lu ke beban dan kembali melalui dioda 5. Pada langkah selanjutnya arus yang dibangkitkan pada tiap-tiap kumparan arahnya berubah, te-tapi arus yang ke beban selalu mengalir dengan arah yang sama.
GELOMBANG OUTPUT SETELAH PENYEARAHAN
Terminal dimana arus yang ke-luar sudah disearahkan disebut terminal B (Battery). Dan terminal dimana arus kembali disebut terminal E (earth). Tegangan antara terminal N (titik netral) dan E yakni ½ dari tegangan terminal B. Gelombang output sesudah penyearahan digambarkan pada grafik ©.
KONSTRUKSI ALTERNATOR
Alternator berfungsi untuk merubah energi mekanik menjadi energi listrik.
1. Pulley
2. Cooling fan
3. Drive end frame
4. Stator core
5. Stator coil
6. Brush (sikat)
7. Brush holder
8. Rectifier
9. Rear end frame
10. Rotor coil
11. Rotor core
1. ROTOR
Rotor berfungsi untuk membangkitkan medan magnet.
Rotor terdiri dari :
1. Rotor coil
2. Rotor core
3. Slip ring
4. Rotor shaft
2. STATOR
Stator berfungsi untuk membangkit-kan arus listrik bolak-balik.
Stator terdiri dari :
1. Stator coil
2. Stator core
3. PULLEY
Pulley berfungsi untuk menerima te-naga mekanis dari mesin untuk me-mutarkan rotor.
Rasio pulley alternator terhadap pulley mesin yakni 1,8 – 2,2 : 1.
4. END FRAME
End frame berfungsi untuk pemegang bagian-bagian alternator. Pada end frame terdapat lubang venti-lasi untuk tempat mengalirnya udara pendingin.
5. RECTIFIER
Rectifier berfungsi untuk merubah arus AC menjadi arus DC. Rectifier terdiri dari 3 dioda positif, 3 dioda negatif, dan diode holder. Diode holder berfungsi untuk mera-diasikan panas dan mencegah dioda panas.
REGULATOR
Tegangan yang dihasilkan oleh alternator bervariasi tergantung dari kecepatan putaran dan banyaknya beban. Untuk itulah digunakan regulator yang berfungsi untuk menjaga tegangan out-put alternator tetap konstan.
REGULATOR TIPE KONTAK POINT
Regulator tipe kontak point terdiri dari :
· Voltage regulator yang berfungsi untuk menjaga tegangan output alter-nator tetap konstan.
· Voltage relay yang berfungsi untuk mematikan lampu CHG dan meng-hubungkan arus ke voltage regulator.
Cara Kerja
Kecepatan Rendah ke Sedang
Saat kecepatan rendah arus yang dihasilkan alternator masih kecil sehingga yang mengalir ke voltage regulator juga masih ke-cil, sehingga kemagnetan pada voltage regulator (M) belum bisa menarik P0. Arus yang mengalir ke rotor coil (F) melalui P1 > P0
Saat kecepatan mesin naik arus yang dihasilkan alternator juga naik, se-hingga yang mengalir ke voltage regulator juga naik, sehingga kemag-netan pada voltage regulator (M) sudah bisa menarik P0 lepas dari P1. Arus yang mengalir ke rotor coil (F) melalui tahanan (R), sehingga arus yang dihasilkan alternator menjadi turun dan menjadikan kemagnetan pada voltage regulator (M) turun dan P0 kembali bekerjasama dengan P1.
Kecepatan Sedang ke Tinggi
Saat kecepatan sedang, posisi P0 yakni mengambang. Dengan naiknya putaran maka arus yang dihasilkan alternator besar, se-hingga arus yang mengalir ke voltage regulator besar, dan kemagnetan pa-da voltage regulator bisa menarik P0 berhubungan dengan P2. Arus yang mengalir ke rotor coil (F) menjadi terputus.
SISTEM PENGISIAN DENGAN REGULATOR TIPE KONTAK POINT
Sistem pengisian dengan regulator tipe kontak point terdiri dari :
1. Kunci kontak 5. Socket Voltage regulator
2. Fuse (sekering) 6. Alternator
3. CHG lamp 7. Terminal B
4. Voltage regulator 8. Fusible link
CARA KERJA
Kunci kontak “ON” mesin belum berputar
Saat kunci kontak “ON” mesin belum berputar pada stator coil belum ada tegangan induksi, sehingga terjadi pemikiran arus :
Battery - KS - fuse - IG regulator - a - P1 - F regulator - F alternator - rotor coil - E alternator - massa. (arus field)
Rotor coil menjadi magnet.
Battery - KS - charge lamp - L regulator - P2 - c - E regulator - massa. (arus lampu charge). Lampu charge menyala
Mesin Hidup Putaran Rendah
Saat mesin hidup dengan putaran rendah pada stator coil terjadi tegangan induksi, sehingga terjadi pemikiran arus :
N alternator - N regulator - C2 (voltage relay) - E regulator - massa.(tegangan netral)
· Voltage relay menjadi magnet menarik P2 bekerjasama dengan d, sehingga menjadikan charge lamp mati (tidak ada beda potensial)
B alternator - B regulator - d - P2 - C1 (voltage regulator) - E regulator - massa. (tegangan output)
· Voltage regulator menjadi magnet tetapi belum bisa menarik P1
B alternator - KS - fuse - IG regulator - a - P1 - F regulator - F alternator - rotor coil - E alternator - massa. (arus field)
· Rotor coil menjadi magnet
B alternator - beban - massa (arus output)
Mesin Hidup Putaran Sedang
Saat mesin hidup dengan putaran sedang pada stator coil terjadi tegangan induksi, sehingga terjadi pemikiran arus :
N alternator - N regulator - C2 (voltage relay) - E regulator - massa. (tegangan netral)
· Voltage relay menjadi magnet menarik P2 bekerjasama dengan d, sehingga menjadikan charge lamp mati (tidak ada beda potensial)
B alternator - B regulator - d - P2 - C1 (voltage regulator) - E regulator - massa. (tegangan output)
· Voltage regulator menjadi magnet menarik P1 lepas dari a tetapi tidak bekerjasama dengan b.
B alternator - KS - fuse - IG regulator - tahanan - F regulator - F alternator - rotor coil - E alternator - massa. (arus field)
· Rotor coil menjadi magnet (kecil).
B alternator -- beban - massa (arus output)
Mesin Hidup Putaran Tinggi
Saat mesin hidup dengan putaran tinggi pada stator coil terjadi tegangan induksi, sehingga terjadi pemikiran arus :
N alternator - N regulator - C2 (voltage relay) - E regulator - massa.(tegangan netral)
· Voltage relay menjadi magnet menarik P2 bekerjasama dengan d, sehingga menjadikan charge lamp mati (tidak ada beda potensial)
B alternator - B regulator - d - P2 - C1 (voltage regulator) - E regulator - massa. (tegangan output)
· Voltage regulator menjadi magnet menarik P1 bekerjasama dgn b.
B alternator - KS - fuse - IG regulator - tahanan - P1 - b - E regulator - massa. (tidak ada arus field)
· Rotor coil tidak menjadi magnet.
B alternator - beban - massa (arus output)
ALTERNATOR DENGAN IC REGULATOR
Dibandingkan dengan alternator yang memakai regulator tipe kontak point, al-ternator dengan IC regulator mempunyai keuntungan :
· Tahan terhadap getaran dan tahan lama
· Tegangan output lebih stabil
· Tahanan kumparan rotor lebih kecil sehingga arus dapat diperbesar.
KONSTRUKSI
Alternator dengan IC regulator (small alternator) terdiri dari :
1. Front end frame 8. Brush (sikat)
2. Rear end frame 9. Slip ring
3. Stator 10. Rectifier
4. Terminal B 11. Rear end cover
5. Konektor 12. Rotor
6. IC regulator 13. Bearing
7. Brush spring 14. Pulley
Rotor
Pada beberapa jenis alternator, rotor ada yang dijadikan satu dengan fan, sehingga memungkinkan ukuran alter-nator menjadi lebih kompak.
Rectifier
Rectifier pada alternator dengan IC re-gulator mempunyai konstruksi yang lebih kompak (kecil) dibanding deng-an alternator dengan regulator tipe kontak point.
IC Regulator
IC regulator berfungsi untuk menjaga tegangan output alternator biar tetap konstan.
IC REGULATOR
IC regulator mempunyai keuntungan :
· Waktu pengaturan tegangan lebih pendek
· Lebih tahan terhadap getaran
· Ukurannya lebih kecil (disatukan dengan alternator).
Dan mempunyai kerugian :
· Harganya mahal
· Kurang tahan terhadap tegangan dan panas yang tinggi.
Ada dua cara pemasangan IC regulator :
1. Add on : IC regulator dipasang di luar alternator.
2. Built in : IC regulator dipasang di dalam alternator
Prinsip Kerja IC Regulator
· Saat Tegangan Output Pada Terminal B Rendah
Tegangan output belum dapat melewati ZD, sehingga Tr2 “Off”.Tegangan output mengalir ke ba-se Tr1 melalui resistor R1 dan Tr1 “On”. Arus yang mengalir ke rotor coil melalui B - rotor coil - F - Tr1 (On) - E (massa).
· Saat Tegangan Output Pada Terminal B Tinggi
Tegangan output sudah dapat melewati ZD, sehingga Tr2 “On” dan Tr1 “Off”. Dan arus yang ke rotor coil terputus.
Tipe IC Regulator
· IC Regulator Tipe A
Cara pemasangan IC regulator ke alternator yakni add on.
Jenis IC regulator ini sekarang sudah tidak digunakan lagi.
· C Regulator Tipe B
Cara pemasangan IC regulator ke alternator yakni built in.
Jenis IC regulator ini digunakan pada semua kendaraan Isuzu yang menggunakan alternator dengan IC regulator.
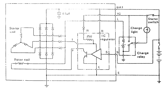
CARA KERJA SISTEM PENGISIAN DENGAN IC REGULATOR TIPE B
Kunci Kontak “ON” Mesin Belum Berputar
Saat kunci kontak “ON” mesin belum berputar pada stator coil belum ada tegangan induksi, sehingga terjadi pemikiran arus :
1. Battery - fuse - S alternator - S IC regulator – BIC - BAT alternator - B IC regulator - BIC
· BIC meng”ON”kan transistor alasannya yakni mendeteksi tegangan battery kurang dari 14,7 volt.
2. Battery - fuse - starter switch - IG alternator - dioda - R IC regulator - tahanan - L IC regulator - rotor coil - F IC regulator - Tr “ON” - E (massa).
· Kemagnetan pada rotor coil kecil sekali.
3. Battery - fuse - starter switch - IG alternator - dioda - R IC regulator - tahanan - L IC regulator - L alternator - kumparan charge relay- ZD “OFF”.
· Kumparan charge relay tidak menjadi magnet.
4. Battery - fuse - starter switch - charge light - plat kontak CHG relay - massa.
· Charge light menyala.
Mesin Hidup Tegangan Output Di Bawah Standar (<14,7 Volt)
Saat mesin hidup pada stator coil terjadi tegangan induksi, sehingga terjadi pemikiran arus :
1. Stator coil - dioda - BAT alternator - S alternator - S IC reg - BIC - B IC regulator - BIC
· BIC meng”ON”kan transistor alasannya yakni mendeteksi tegangan output ku-rang dari 14,7 volt.
2. Stator coil - field dioda - rotor coil - F IC regulator - Tr “ON” - E IC regulator - E alternator - massa.
· Rotor coil menjadi magnet.
3. Stator coil - field dioda - L alternator - kumparan charge relay - ZD ”ON” - massa
· Kumparan charge relay menjadi magnet menarik plat kontak ke atas, sehingga charge light mati alasannya yakni tidak ada beda potensial.
Mesin Hidup Tegangan Output Di Atas Standar (¦14,7 Volt)
Saat mesin hidup pada stator coil terjadi tegangan induksi, sehingga terjadi pemikiran arus :
1. Stator coil - dioda - BAT alternator - S alternator - S IC reg – BIC- B IC regulator - BIC
· BIC meng”OFF”kan transistor alasannya yakni mendeteksi tegangan output lebih dari 14,7 volt.
2. Stator coil - field dioda - rotor coil - F IC regulator - Tr “OFF”
· Rotor coil tidak menjadi magnet.
3. Stator coil - field dioda - L alternator - kumparan charge relay - ZD ”ON” - massa
· Kumparan charge relay menjadi magnet menarik plat kontak ke atas, sehingga charge light mati alasannya yakni tidak ada beda potensial.
IC Regulator Tipe M
Cara pemasangan IC regulator ke alternator yakni built in.
Jenis IC regulator ini digunakan pada kendaraan sedan.
CARA KERJA SISTEM PENGISIAN DENGAN IC REGULATOR TIPE M
Kunci Kontak ON Mesin Belum Berputar
MIC mendeteksi tegangan battery melalui terminal IG dan akan menghidupkan Tr1.
· Rotor coil menjadi magnet
(Tr1 akan ON dan OFF secara bergantian biar arus yang ke rotor minimum ! 0,17 A)
Belum ada listrik yang dibangkitkan alternator. Tegangan pada terminal P IC regulator 0 volt dideteksi oleh MIC yang mengirimkan sinyal untuk mengaktifkan Tr3.
· Lampu CHG menyala
Mesin Hidup Tegangan Di Bawah Standar
Mesin hidup dan alternator membangkitkan listrik.
Tr1 akan diaktifkan oleh MIC dari kondisi ON – OFF menjadi ON terus-menerus. Ia juga akan mematikan Tr3 dan menyalakan Tr2 sehingga lampu CHG mati.
Mesin Hidup Tegangan Mencapai Tegangan Standar
Tr1 tetap pada posisi ON tegangan pada terminal B meningkat sesuai dengan naiknya putaran mesin. Saat tegangan mencapai 14,5 ! 0,1 volt rangkaian MIC akan mendeteksinya dan mematikan Tr1 sehingga arus pada rotor coil terputus.
Akibatnya tegangan pada terminal B akan drop, dan MIC akan menghidup-kan Tr1 lagi dan arus pada rotor coil meningkat dan tegangan di terminal B akan naik. Dengan proses ini maka tegangan di B dapat dipertahankan pada nilai konstan.
Kumparan Rotor Coil Putus
Bila alasannya yakni sesuatu hal relasi ke kumparan rotor putus ketika alternator berputar, tegangan pada terminal P IC regulator yakni 0 volt. Rangkaian MIC akan mendeteksi serta mematikan Tr2 dan menyalakan Tr3 sehingga lampu CHG akan menyala.
Hubungan Ke Terminal S Putus
Bila terminal S terlepas / terputus ketika alternator sedang berputar, rangkai-an MIC akan mendeteksi tidak ada input pada terminal S dan mematikan Tr2 dan menyalakan Tr3 sehingga lampu CHG akan menyala untuk mempe-ringatkan adanya ketidak-normalan.
Hubungan Ke terminal B Putus
Bila terminal B terlepas / terputus ketika alternator sedang berputar, tegangan pada battery akan turun perlahan-lahan (tegangan pada terminal S) alasannya yakni pengisian battery terhenti.
Pada ketika tegangan pada terminal S melebihi 13 volt rangkaian MIC akan mendeteksinya dan menyalakan Tr3 serta mematikan Tr2 sehingga lampu CHG akan menyala.
ALTERNATOR DENGAN DIODA NETRAL (NEUTRAL POINT DIODA)
Tegangan rata-rata pada titik netral yakni ½ terminal B. Tegangan ini digunakan untuk mengak-tifkan lampu CHG.
Untuk meningkatkan output alternator ada beberapa metoda :
· Memperbesar ukuran.
· Merubah relasi stator ke Y.
· Menambah netral point dioda.
Penambahan netral point dioda akan meningkatkan out put sebesar 10 – 15%
Cara Kerja
tegangan pada titik netral bukan hanya DC tetapi juga AC. Tegangan AC timbul di N sebagai hasil dari tegangan harmonik ketiga yang diinduksikan pada tiap phase oleh pemikiran output dan sempurna pada phase yang sama. Makara tegangan pada titik netral lebih tinggi atau lebih rendah dari tegangan output, arus akan mengalir melalui dioda yang dipasang antara titik netral serta terminal output.
· Tegangan Titik Netral Melebihi 14 Volt
· Tegangan Titik Netral Turun Di Bawah 0 Volt
Demikianlah pembahasan wacana sistem pengisian pada mobil, semoga bermanfaat.




























.png)
.png)


















No comments:
Post a Comment